浏览量:
1013
JHA-SFP-10G-AOC spec
零售价
0.0
元
市场价
0.0
元
浏览量:
1013
产品编号
数量
-
+
库存:
0
产品描述
产品特征
产品参数
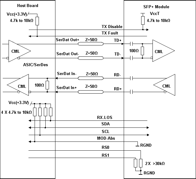
产品描述:
产品特征:
l Support 10GBASE-SR/10G Fiber Channel application
l Compliant to SFP+ Electrical MSA SFF-8431
l Compliant to SFP+ Mechanical MSA SFF-8432
l Multi rate of up to 11.3Gbps
l Transmission distance up to 300m
l+3.3V single power supply
l Low power consumption
l Operating case temp Commercial:
0°C to +70 °CRoHS compliant
l Password protection for A0h and A2h
Applications
l 10GBASE-SR at 10.31Gbps
l InfiniBand QDR, SDR, DDR
l Other optical links
扫二维码用手机看
上一个
无



