浏览量:
1011
JHA-QSFP-40G-AOC spec
零售价
0.0
元
市场价
0.0
元
浏览量:
1011
产品编号
数量
-
+
库存:
0
产品描述
产品特征
产品参数
产品描述:
产品特征:
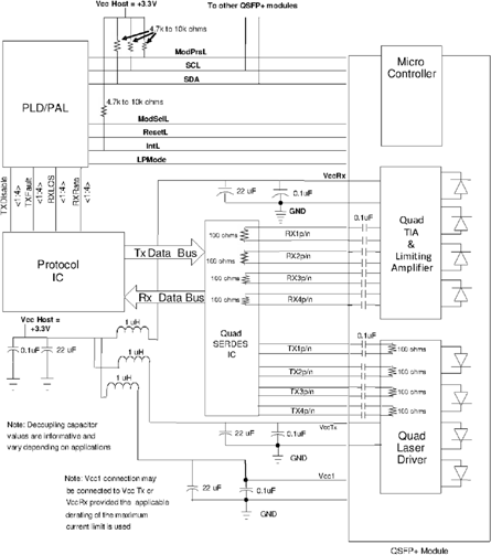
l Support 40GBASE-SR4/QDR application
l Compliant to QSFP+ Electrical MSA SFF-8436
l Multi rate of up to 10.3125Gbps
l+3.3V single power supply
Transmission distance up to 300m
l Low power consumption
l Operating case temp Commercial: 0°C to +70 °C
l UL certification cables (optional)
l RoHS compliant
Applications
l 40GBASE-SR4 at 10.3125Gbps per lane
l InfiniBand QDR
l Other optical links
扫二维码用手机看



