浏览量:
1009
JHA-QSFP28-100G-AOC spec
零售价
0.0
元
市场价
0.0
元
浏览量:
1009
产品编号
数量
-
+
库存:
0
产品描述
产品特征
产品参数
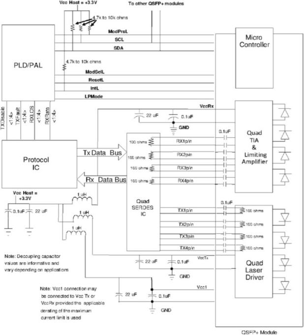
产品描述:
产品特征:
l Support 100GBASE-SR4/EDR application
l Compliant to QSFP28 Electrical MSA SFF-8636
l Multi rate of up to 25.78125Gbps
l Transmission distance up to 100m
l+3.3V single power supply
l Low power consumption
l Operating temp Commercial: 0°C to +70 °C
l RoHS compliant
l UL certification cables (optional)
Applications
l 100GBASE-SR4 at 25.78125Gbps per lane
l InfiniBand QDR, EDR
l Other optical links
扫二维码用手机看



